
以某工厂为例: 宿舍一栋,共5层,每层10间房,每间房住8人,共住400人,
1、用水量计算:桶提30公斤/人/天 花洒50公斤/人/天
(方案一)桶提总用水量:400人×30公斤/人/天=12000公斤/天=12吨
(方案二)花洒总用水量:400人×50公斤/人/天=20000公斤/天=20吨
酒店热水工程热水系统设计:
1、用水量的计算方法:(某酒店为例)
A.客房100间,每间客房用水量按200kg计算,入住率为100%,
100间×200kg/间×100%=20000kg,客房用水量每天20吨
B.沐足100位,预计客流量每天200人,每人按25kg计算,
200人×25kg/人=5000kg,沐足用水量每天5吨

佛山聚阳新能源有限公司
我们一定以优质的服务为您解答疑惑!您的满意就是对我们最大的肯定!
招商加盟代理热线:廖小姐 18929917205
招商热线:400-0286-606
网址:http://www.dkren.com
邮箱:info@dkren.com
地址:广东佛山市南海区里水镇宏岗村沥口工业区弘科二路1号
3P-15P变频采暖机组聚阳说明书 聚阳空气能变频采暖说明书
3P-15P变频采暖机组聚阳说明书 聚阳空气能变频采暖说明书
3P-60P低环境温度空气源热泵(冷水)机组使用说明书 聚阳低温定频机组说明书
3P-60P低环境温度空气源热泵(冷水)机组使用说明书 聚阳低温定频机组说明书
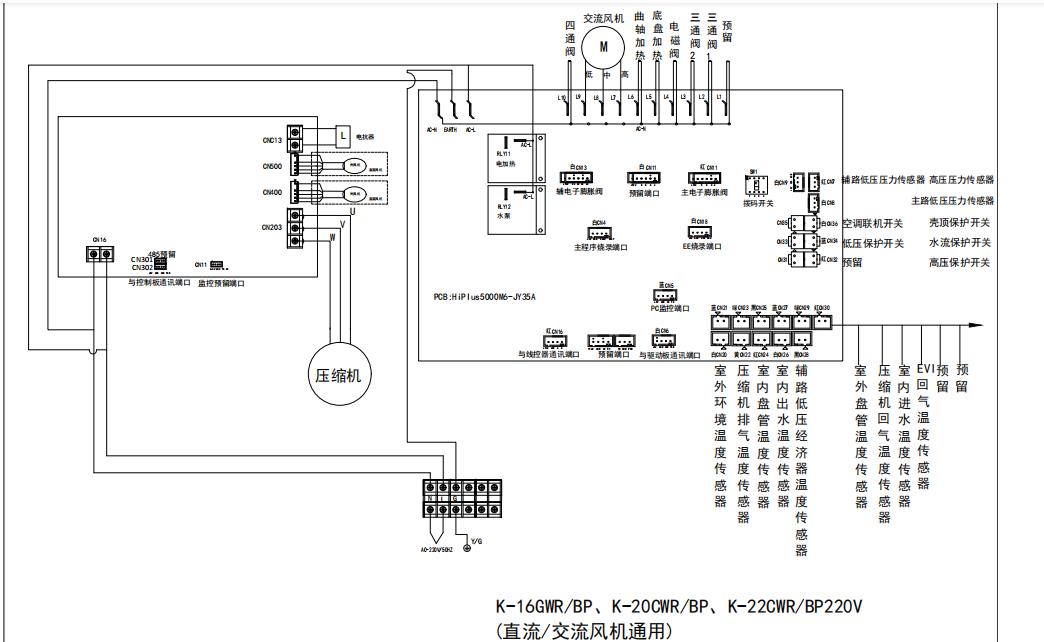
聚阳采暖空气能5P6P8P220V接线图(交直流电机通用)(旧款5000RM)-模型
聚阳空气能采暖5P6P8P220V接线图(交直流电机通用)(旧款5000RM)-模型
聚阳空气能商用机热水说明书品牌+通用
聚阳 商用机3P-7P单系统空气源热泵控制器技术规格书
聚阳空气能15P-30P增焓双系统超低温空气能控制说书
聚阳空气能3P-15P低温变频空气能控制器说明书
聚阳空气能50P-60P四机头超低温空气能热泵技术规格书
聚阳3P-6P煤改电低温增焓空气能热泵控制器规格书
空气源变频热泵 控制规格书 (聚阳) 目 录 一、 概述........................................................................................................................................5 1、适用范围...............
热泵工作原理:空调器由压缩机、冷凝器、蒸发器、毛细管、连接管等组成一个封闭式的循环系统,在系统内充注一种制冷剂(R22即氟里昂),空调器运行后,压缩机把制冷剂压缩后变成高温高压的气体排入冷凝器,在冷凝器内,制冷剂蒸气将热量放给流过的水(液...
空气能热泵热水器也称“空气源热泵热水器”“热泵热水器”“空气能热水器” 等。空气能热泵热水器(空气源热泵热水器)中的热泵能把空气中的低温热能吸收进来,经过压缩机压缩后转化为高温热能,加热水温。这种热水器(空气源热泵热水器)具有高效节能的...












